Đề ôn thi trắc nghiệm môn vật lí 9 lên 10 (đề 1)
Bài có đáp án. Đề ôn thi trắc nghiệm môn Vật lí 9 lên 10 (đề 1). Học sinh luyện đề bằng cách chọn đáp án của mình trong từng câu hỏi. Dưới cùng của bài trắc nghiệm, các em click vào "xem đáp án" để biết được số lượng đáp án đúng của mình.
Câu 1: Phát biểu nào sau đây là đúng
- A. Cường độ dòng điện không những phụ thuộc vào hiệu điện thế mà còn phụ thuộc vào bản thân vật dẫn.
- B. Cường độ dòng điện không phụ thuộc vào hiệu điện thế mà tphuj thuộc vào bản thân vật dẫn.
- C. Cường độ dòng điện chỉ phụ thuộc vào hiệu điện thế mà không phụ thuộc vào bản thân vật dẫn.
- D. Cường độ dòng điện không phụ thuộc vào vào hiệu điện thế và cũng không phụ thuộc vào bản thân vật dẫn.
Câu 2: Điều nào sau đây sai khi nói về đơn vị của công suất?
- A. Đơn vị của công suất là Oắt. Kí hiệu là W.
- B. 1 oát là công suất của một dòng điện sản ra công 1 Jun trong mỗi giây.
- C. 1 oát là công suất cảu một dòng điện 1 ampe chạy giữa hai điểm có hiệu điện thế 1 vôn.
- D. 1 oát là công suất của một dòng điện sản ra công 1 Jun khi nó chạy giữa hai điểm có hiệu điện thế 1 Vôn.
Câu 3: Trên hai bóng đèn có ghi 220V - 60W và 220V - 75W. Biết rằng dây tóc của hai đèn này đều bằng vonfram và có tiết diện bằng nhau. Gọi l1 và l2 là chiều dài của dây tóc mỗi bóng đèn. Hệ thức nào sau đây là đúng?
- A.
. - B.
. - C.
. - D.
.
Câu 4: Một bóng đèn xe máy lúc thắp sáng có điện trở 12 Ω và cường độ dòng điện chạy qua dây tóc bóng đèn là 0,5 A. Hiệu điện thế giữa hai đầu dây tóc bóng đèn khi đó là bao nhiêu?
- A. U = 6 V.
- B. U = 9 V.
- C. U = 12 V.
- D. Một giá trị khác.
Câu 5: Muốn đo hiệu điện thế của một nguồn điện, nhưng không có Vôn kế, một học sinh đã sử dụng một Ampe kế và một điện trở có giá trị R = 200 Ω mắc nối tiếp nhau, biết Ampe kế chỉ 1,2 A. Hỏi hiệu điện thế giữa hai cực nguồn điện bằng bao nhiêu?
- A. U = 1,2 V.
- B. Một giá trị khác.
- C. U = 20 V.
- D. U = 240 V.
Câu 6: Mạch ngoài một nguồn điện có hiệu điện thế U, gồm hai điện trở R1 và R2 được mắc song song, hỏi công suất tỏa nhiệt của mạch điện ngoài được tính theo công thức nào sau đây?
- A.

- B.
. - C.
. - D.
.
Câu 7: Một khu dân cư có 500 hộ gia đình, tính trung bình mỗi hộ sử dụng một công suất điện 120W, thời gian sử dụng 4 giờ trong một ngày. Điện năng mà khu dân cư này sử dụng trong vòng 30 ngày là:
- A. A = 7200Wh.
- B. A = 7200kWh.
- C. A = 7200J.
- D. A = 720J.
Câu 8: Một bếp điện tiêu thụ một điện năng 480kJ trong 24 phút. Hiệu điện thế đặt vào bếp bằng 220V. Hỏi điện trở của bếp khi làm việc bằng bao nhiêu?
- A. R = 147,6Ω.
- B. R = 144,7Ω.
- C. R = 164,7Ω.
- D. R = 146,7Ω.
Câu 9: Trong các công thức sau đây, công thức nào không phù hợp với đoạn mạch mắc song song ?
- A. I = I1 + I2 + ... + In.
- B. U = U1 + U2 + ... + Un.
- C. R = R1 + R2 + ... Rn.
- D.

Câu 10: Cho mạch điện có sơ đồ như hình 23. R1 = 15Ω, R2 = 10Ω, vôn kế chỉ 30V. Hỏi điện trở tương đương của đoạn mạch AB có thể nhận giá trị nào trong các giá trị sau?
- A. RAB = 6Ω.
- B. RAB = 25Ω.
- C. RAB = 5Ω.
- D. Một giá trị khác.
Câu 11: Một đoạn mạch gồm hai điện trở R1 = 6 Ω , R2 = 3 Ω mắc song song với nhau vào hai điểm có hiệu điện thế 6V. Điện trở tương đương và cường độ dòng điện qua mạch chính là:
- A. R = 9 Ω , I = 0,6A
- B. R = 9 Ω , I = 1A
- C. R = 2 Ω , I = 1A
- D. R = 2 Ω , I = 3A
Câu 12: Mắc một bóng đèn pin vào hai cực của một viên pin còn tốt bằng dây dẫn ngắn rồi sau đó bằng dây dẫn khá dài. Hỏi cường độ sáng của bóng đèn trong hai trường hợp như thế nào?
- A. Cả hai trường hợp sáng là như nhau.
- B. Trường hợp thứ nhất sáng yếu hơn trường hợp thứ hai.
- C. Trường hợp thứ nhất sáng mạnh hơn trường hợp thứ hai.
- D. Cả hai trường hợp đều không sáng.
Câu 13: Có một dây dẫn tiết diện đều, làm bằng một vật liệu nhất định. Người ta cắt dây làm hai phần rồi bố trí thành một đoạn mạch gồm hai nhánh song song như hình vẽ (nhánh (2) là nửa đường trong trong khi nhánh (1) là đường kính). Đặt đoạn mạch vào một hiệu điện thế không đổi. Tính tỉ số các cường độ dòng điện chạy qua hai nhánh.

- A. ≈ 0,44.
- B. ≈ 0,64.
- C. ≈ 0,84.
- D. = 1.
Câu 14: Điện trở của dây dẫn không phụ thuộc vào yếu tố nào dưới đây?
- A. Vật liệu làm dây dẫn
- B. Khối lượng của dây dẫn
- C. Chiều dài của dây dẫn
- D. Tiết diện của dây dẫn
Câu 15: Một sợi dây tóc bóng đèn làm bằng vonfram ở nhiệt độ trong phòng có điện trở 25Ω, có tiết diện tròn bán kính 0,01mm. Biết vonfram có điện trở suất
? Hỏi chiều dài của dây tóc này là bai nhiêu?
- A. 0,143cm.
- B. 1,43cm.
- C. 14,3cm.
- D. 143cm.
Câu 16: Có ba dây dẫn với chiều dài và tiết diện như nhau. Dây thứ nhất bằng bạc có điện trở R1. Dây thứ hai bằng đồng có điện trở R2. Dây thứ ba bằng nhôm có điện trở R3. Hệ thức nào sau đây là đúng khi so sánh độ lớn của các điện trở?
- A. R3 > R2 > R1.
- B. R1 > R3 > R2.
- C. R2 > R1 > R3.
- D. R1 > R2 > R3.
Câu 17: Cần làm một biến trở 20 bằng một dây constantan có tiết diện
và điện trở suất $0,5.10^{-6}$. Chiều dài của dây constantan là:
- A. 10m
- B. 20m
- C. 40m
- D. 60m
Câu 18: Một động cơ điện trong vòng 1 giờ tiêu thụ điện năng là 5400kJ. Hỏi động cơ làm việc ở hiệu điện thế 220V. Tính cường độ dòng điện chạy qua động cơ
- A. I = 0,628A.
- B. I = 6,28A.
- C. I = 62,8A.
- D. Một kết quả khác.
Câu 19: Cho hai bóng đèn: bóng 1 loại 220 V - 40 W và bóng 2 loại 220 V - 100 W. Nhận xét nào sau đây là đúng khi mắc song song hai bóng trên vào nguồn điện 220 V?
- A. Hiệu điện thế hai đầu bóng đèn 1 nhỏ hơn hiệu điện thế hai đầu bóng đèn 2.
- B. Cường độ dòng điện qua bóng đèn 1 bằng cường độ dòng điện qua bóng đèn 2.
- C. Hai bóng đèn sáng như nhau.
- D. Cả hai bóng đèn đều sáng bình thường.
Câu 20: Dùng một dây có điện trở R nhúng vào bình đựng 1 lít nước. Sau thời gian 7 phút nước tăng thêm 440C. Hỏi điện trở R bằng bao nhiêu? Biết rằng hiệu điện thế giữa hai đầu điện trở R là 220V và bỏ qua sự mất nhiệt.
- A. 55Ω.
- B. 110Ω.
- C. 440Ω.
- D. 220Ω.
Câu 21: Đoạn dây dẫn có dòng điện chạy qua. Hãy cho biết lực từ vẽ ở hình nào đúng?

- A. Hình b.
- B. Hình a.
- C. Cả 3 hình a, b, c.
- D. Hình c.
Câu 22: Dùng bếp điện nói trên để đun sôi 1 lít nước ở nhiệt độ
. Bỏ qua mọi sự mất nhiệt khi đun, cho nhiệt dung riêng của nước là 4200J/kg.K. Hỏi phải đun trong bao lâu?
- A. 7 phút 27 giây.
- B. 6 phút 27 giây.
- C. 7 phút 72 giây.
- D. 6 phút 72 giây.
Câu 23: Một bình nóng lạnh có ghi 220V – 1100W được sử dụng với hiệu điện thế 220V. Tính thời gian để bình đun sôi 10 lít nước từ nhiệt độ 200C, biết nhiệt dung riêng của nước là 4200 J/kg.K và nhiệt lượng bị hao phí là rất nhỏ.
- A. 30 phút 45 giây
- B. 44 phút 20 giây
- C. 50 phút 55 giây
- D. 55 phút 55 giây
Câu 24: Quan sát hình vẽ, hãy cho biết chiều dòng điện và chiều của lực điện từ tác dụng lên đoạn dây dẫn CD đúng với hình nào trong các hình a, b, c hay d.

- A. Hình d
- B. Hình a
- C. Hình c
- D. Hình b
Câu 25: Có hai thanh thép luôn hút nhau bất kể đưa đầu nào của chúng lại gần nhau. Trong các thông tin sau đây, thông tin nào đúng?
- A. Cả hai thanh đều là nam châm.
- B. Cà hai thanh đều không phải là nam châm.
- C. Một trong hai thanh là nam châm, thanh còn lại là thép.
- D. Cả 3 thông tin A, B, C đều có thể xảy ra.
Câu 26: Vì sao có thể nói rằng Trái Đất giống như một thanh nam châm khổng lồ?
- A. Vì Trái Đất hút tất cả các vật về phía nó.
- B. Vì Trái Đất hút các vật bằng sắt về phía nó.
- C. Vì Trái Đất hút các thanh nam châm về phía nó.
- D. Vì mỗi cực của thanh nam châm để tự do luôn hướng về một cực của Trái Đất.
Câu 27: Chọn phát biểu đúng
- A. Có thể thu được từ phổ bằng rắc mạt sắt lên tấm nhựa trong đặt trong từ trường.
- B. Từ phổ là hình ảnh cụ thể về các đường sức điện.
- C. Nơi nào mạt sắt dày thì từ trường yếu.
- D. Nơi nào mạt sắt thưa thì từ trường mạnh.
Câu 28: Lực từ tác dụng lên kim nam châm trong hình sau đặt ở điểm nào là mạnh nhất?

- A. Điểm 1
- B. Điểm 2
- C. Điểm 3
- D. Điểm 4
Câu 29: Trong nam châm điện lõi của nó thường được làm bằng
- A. Cao su tổng hợp.
- B. Đồng.
- C. Sắt non.
- D. Thép.
Câu 30: Khi chạm mũi dao bằng thép vào đầu một nam châm một thời gian thì sau dó mũi dao hút được các vụn sắt. Câu giải thích nào sau đây là đúng?
- A. Do mũi dao bị nóng lên.
- B. Do mũi dao bị nhiễm từ.
- C. Do mũi dao không duy trì được từ tính.
- D. Do mũi doa bị ma sát mạnh.
Câu 31: Cho hai mệnh đề như sau:
(I): Trong cùng điều kiện nhiễm từ như nhau, sắt nhiễm từ mạnh hơn thép nhưng lại duy trì tính từ kém hơn thép.
Vì (II): Mọi vật trong từ trường đều bị nhiễm từ.
- A. Mệnh đề (I) đúng. Mệnh đề (II) đúng. Hai mệnh đề có liên quan với nhau.
- B. Mệnh đề (I) đúng. Mệnh đề (II) đúng. Hai mệnh đề không liên quan với nhau.
- C. Mệnh đề (I) đúng. Mệnh đề (II) sai.
- D. Mệnh đề (I) sai. Mệnh đề (II) đúng.
Câu 32: Quan sát hình và cho biết:

- A. (I) đúng, (II) sai, (III) sai.
- B. (I) sai, (II) đúng, (III) sai.
- C. (I) sai, (II) sai, (III) đúng.
- D. (I), (II), (III) đều sai.
Câu 33: Khi cuộn dây quay đều đặn trong từ trường thì mỗi vòng quay dòng điện cảm ứng trong cuộn dây đổi chiều.
- A. 2 lần.
- B. 3 lần.
- C. 4 lần.
- D. 5 lần.
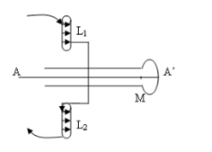
Câu 34: Mặt cắt thẳng đứng của một đèn hình trong máy thu hình được vẽ như trong hình vẽ. Tia AA' tượng trưng cho chùm electron đến đập vào màn huỳnh quang M, các ống dây L1, L2 dùng để lái chùm tia electron theo phương nằm ngang. Chùm tia electron chuyển động từ A đến A' thì lực điện từ tác dụng lên các electron có chiều như thế nào?

- A. Từ trên xuống dưới trong mặt phẳng tờ giấy.
- B. Thẳng góc với mặt phẳng tờ giấy và từ trước ra sau.
- C. Từ dưới lên trên trong mặt phẳng tờ giấy.
- D. Thẳng góc với mặt phẳng tờ giấy và từ sau ra trước.
Câu 35: Cho một thấu kính hội tụ có khoảng cách giữa hai tiêu điểm là 60 cm. Tiêu cự của thấu kính là:
- A. 60 cm
- B. 120 cm
- C. 30 cm
- D. 90 cm
Câu 36: Một người cận phải đeo kính có tiêu cự 25cm. Hỏi khi không đeo kính thì người đó nhìn rõ được vật cách xa mắt nhất là bao nhiêu?
- A. 25cm
- B. 15cm
- C. 75cm
- D. 50cm
Câu 37: Quan sát các hình vẽ và cho biết:

- A. Hình vẽ a đúng. Hình vẽ b đúng.
- B. Hình vẽ a đúng. Hình vẽ b sai.
- C. Hình vẽ a sai. Hình vẽ b đúng.
- D. Cả hai hình vẽ đều sai.
Câu 38: Đinamô ở xe đạp có cấu tạo gồm:
- A. Nam châm và cuộn dây dẫn.
- B. Điện tích và cuộn dây dẫn.
- C. Nam châm và điện tích.
- D. Nam châm điện và điện tích.
Câu 39: Điều nào sau đây không đúng khi so sánh tác dụng của dòng điện một chiều và dòng điện xoay chiều?
- A. Dòng điện xoay chiều và dòng điện một chiều đều có khả năng trực tiếp nạp điện cho acquy.
- B. Dòng điện xoay chiều và dòng điện một chiều đều tỏa ra nhiệt khi chạy qua một dây dẫn.
- C. Dòng điện xoay chiều và dòng điện một chiều đều có khả năng làm phát quang bóng đèn.
- D. Dòng điện xoay chiều và dòng điện một chiều đều gây ra từ trường.
Câu 40: Trong hiện tượng cảm ứng điện từ ta nhận biết được điều gì?
- A. Dòng điện xuất hiện trong cuộn dây dẫn đặt gần nam châm.
- B. Dòng điện xuất hiện trong cuộn dây đặt trong từ trường của nam châm.
- C. Dòng điện xuất hiện khi một cuộn dây dẫn kín quay trong từ trường của nam châm.
- D. Dòng điện xuất hiện trong cuộn dây khi cuộn dây chạm vào nam châm.
Xem thêm bài viết khác
- Trắc nghiệm vật lý 9 bài 1: Sự phụ thuộc của cường độ dòng điện vào hiệu điện thế giữa hai đầu dây dẫn
- Trắc nghiệm vật lý 9 bài 40: Hiện tượng khúc xạ ánh sáng
- Trắc nghiệm vật lí 9 chương 3: Quang học (P5)
- Trắc nghiệm vật lý 9 bài 23: Từ phổ Đường sức từ
- Trắc nghiệm vật lý 9 bài 32: Điều kiện xuất hiện dòng điện cảm ứng
- Trắc nghiệm vật lý 9 bài 36: Truyền tải điện năng đi xa
- Trắc nghiệm vật lí 9 chương 2: Điện từ học (P3)
- Đề ôn thi trắc nghiệm môn vật lí 9 lên 10 (đề 1)
- Trắc nghiệm vật lý 9 bài 28: Động cơ điện một chiều
- Trắc nghiệm vật lý 9 bài 41: Quan hệ giữa góc tới và góc phản xạ
- Trắc nghiệm vật lý 9 bài 11: Bài tập vận dụng định luật Ôm và công thức tính điện trở của dây dẫn
- Trắc nghiệm vật lý 9 bài 56: Các tác dụng của ánh sáng