Trắc nghiệm vật lí 11 chương 2: Dòng điện không đổi (P1)
Bài có đáp án. Bộ bài tập trắc nghiệm vật lí 11 chương 2: Dòng điện không đổi (P1). Học sinh luyện tập bằng cách chọn đáp án của mình trong từng câu hỏi. Dưới cùng của bài trắc nghiệm, có phần xem kết quả để biết bài làm của mình. Kéo xuống dưới để bắt đầu.
Câu 1: Điều kiện để có dòng điện là:
- A. Chỉ cần có hiệu điện thế
- B. Chỉ cần có các vật dẫn nối liền thành một mạch lớn.
- C. Chỉ cần duy trì một hiệu điện thế giữa hai đầu vật dẫn
- D. chỉ cần có nguồn điện
Câu 2: Công suất định mức của các dụng cụ điện là
- A. Công suất lớn nhất mà dụng cụ đó có thể đạt được.
- B. Công suất tối thiểu mà dụng cụ đó có thể đạt được.
- C. Công suất mà dụng cụ đó đạt được khi hoạt động bình thường.
- D. Công suất mà dụng cụ đó có thể đạt được bất cứ lúc nào.
Câu 3: Dòng điện là:
- A. dòng chuyển dời có hướng của các điện tích.
- B. dòng chuyển động của các điện tích.
- C. dòng chuyển dời của eletron.
- D. dòng chuyển dời của ion dương.
Câu 4: Dòng điện chạy trong mạch nào dưới đây không phải là dòng điện không đổi?
- A. Trong mạch điện thắp sáng đèn trong mạng điện gia đình
- B. Trong mạch điện kính của đèn pin
- C. Trong mạch điện kính thắp sáng đèn với nguồn điện là acquy
- D. Trong mạch điện kính thắp sáng đèn với nguồn điện là pin mặt trời
Câu 5: Vôn kế V được mắc vào mạch điện có U = 220V. Khi mắc nối tiếp V với R1 = 15kΩ thì V chỉ U1 = 70V. Khi mắc nối tiếp V với R2 thì V chỉ U2 = 20V. Tính R2.
- A. 70 kΩ.
- B. 80 kΩ.
- C. 100 kΩ.
- D. 110 Ω.
Câu 6: Hai đầu đoạn mạch có điện thế không đổi. Nếu điện trở của đoạn mạch giảm hai lần thì công suất điện của đoạn mạch
- A. tăng hai lần.
- B. giảm hai lần.
- C. không đổi.
- D. tăng bốn lần.
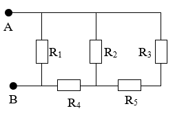
Câu 7: Cho mạch điện như hình vẽ. Trong đó R1 = 8 Ω; R3 = 10 Ω; R2 = R4 = R5 = 20 Ω; I3 = 2 A. Tính UAB ?

- A. 150 V.
- B. 100 V.
- C. 130 V.
- D. 160 V.
Câu 8: Chọn câu sai
- A. Đo cường độ dòng điện bằng ampe kế.
- B. Ampe kế mắc nối tiếp vào mạch điện cần đo cường độ dòng điện chạy qua
- C. Dòng điện chạy qua ampe kế có chiều đi vào chốt dương (+) và đi ra từ (-).
- D. Dòng điện chạy qua ampe kế có chiều đi vào chốt âm (-) và đi ra từ chốt (+).
Câu 9: Một ấm điện được dùng với hiệu điện thế 220 V thì đun sôi được 1,5 lít nước từ nhiệt độ 20
C trong 10 phút. Biết nhiệt dung riêng của nước là 4190 J/(kg.K), khối lượng riêng của nước là 1000 kg/m$^{3}$ và hiệu suất của ấm là 90%. Tính điện trở của ấm điện
- A. 52 Ω
- B. 25 Ω
- C. 56 Ω
- D. 65 Ω
Câu 10: Một tụ điện có điện dung 6 μC được tích điện bằng một hiệu điện thế 3V. Sau đó nối hai cực của bản tụ lại với nhau, thời gian điện tích trung hòa là 10
s. Cường độ dòng điện trung bình chạy qua dây nối trong thời gian đó là
- A. 1,8 A.
- B. 180 mA.
- C. 600 mA.
- D. 1/2 A.
Câu 11: Một bàn là điện khi được sử dụng với hiệu điện thế 220V thì dòng điện chạy qua bàn là có cường độ là 5A. Tính tiền điện phải trả cho việc sử dụng bàn là này trong 30 ngày, mỗi ngày 20 phút, cho rằng giá tiền điện là 1500 đ/(kW.h)
- A. 16500 đ
- B. 15600 đ
- C. 8250 đ
- D. 31200 đ
Câu 12: Đối với mạch điện kín gồm nguồn điện với mạch ngoài là điện trở thì hiệu điện thế mạch ngoài
- A.tỉ lệ thuận với cường độ dòng điện chạy trong mạch.
- B. tăng khi cường độ dòng điện trong mạch tăng.
- C. giảm khi cường độ dòng điện trong mạch tăng.
- D. tỉ lệ nghịch với cường độ dòng điện chạy trong mạch.
Câu 13: Dùng một dây dẫn mắc bóng đèn vào mạng điện. Dây tóc bóng đèn nóng sáng, dây dẫn hầu như không sáng lên vì:
- A. Cường độ dòng điện chạy qua dây tóc bóng đèn lớn hơn nhiều cường độ dòng điện chạy qua dây dẫn.
- B. Cường độ dòng điện chạy qua dây tóc bóng đèn nhỏ hơn nhiều cường độ dòng điện chạy qua dây dẫn.
- C. Điện trở của dây tóc bóng đèn lớn hơn nhiều so với điện trở của dây dẫn.
- D. Điện trở của dây tóc bóng đèn nhỏ hơn nhiều so với điện trở của dây dẫn.
Câu 14: Cho mạch điện như hình 11.4, bỏ qua điện trở của dây nối, ampe có điện trở không đáng kể, E = 3V, r = 1Ω, IA = 0,5A. Điện trở R có giá trị bằng

- A. 6Ω
- B. 3Ω
- C. 5Ω
- D. 3Ω
Câu 15: Trên nhãn ấm điện có ghi (220V-1000W) cho biết ý nghĩa trên số ghi trên. Sử dụng ấm điện với hiệu điện thế 220V để đun sôi 2 lít nước từ nhiệt độ 25
C . Tính thời gian đun sôi nước, biết hiệu suất ấm là 90% và nhiệt dung riêng của nước là 4190J/(kg.K)
- A. 700s
- B. 698s
- C. 480s
- D. 560s
Câu 16: Tìm phát biểu sai
- A. Hiện tượng đoản mạch xảy ra khi điện trở của mạch ngoài rất nhỏ
- B. Suất điện động E của nguồn điện luôn có giá trị bằng độ giảm điện thế mạch trong.
- C. Suất điện động E của nguồn điện có giá trị bằng tốc độ giảm thế ở mạch ngoài và mạch trong.
- D. Điện trở toàn phần của toàn mạch là tổng giá trị số của điện trở trong và điện trở tương đương của mạch ngoài.
Câu 17: Một bóng đèn có ghi: 6V-3W, khi mắc bóng đèn trên vào hiệu điện thế 6V thì cường độ dòng điện qua bóng đèn là:Một bóng đèn có ghi: 6V-3W, khi mắc bóng đèn trên vào hiệu điện thế 6V thì cường độ dòng điện qua bóng đèn là:
- A. 3A
- B. 6A
- C. 0,5A
- D. 18A
Câu 18: Trong đoạn mạch chỉ có điện trở thuần, với thời gian như nhau, nếu cường độ dòng điện giảm 2 lần thì nhiệt lượng tỏa ra trên mạch
- A. giảm 2 lần.
- B. giảm 4 lần.
- C. tăng 2 lần.
- D. tăng 4 lần.
Câu 19: Công của nguồn điện là công của
- A. lực lạ trong nguồn.
- B. lực điện trường dịch chuyển điện tích ở mạch ngoài.
- C. lực cơ học mà dòng điện đó có thể sinh ra.
- D. lực dịch chuyển nguồn điện từ vị trí này đến vị trí khác.
Câu 20: Trong một mạch kín gồm nguồn điện có suất điện động E, điện trở trong r và mạch ngoài có điện trở R. Hệ thức nào sau đây nêu lên mối quan hệ giữa các đại lượng trên với cường độ dòng điện I chạy trong mạch?
- A. I= E/R
- B. I= E+ r/R
- C. I= E/(R+r)
- D. I= E/r