Trắc nghiệm vật lý 11 bài 11: Phương pháp giải một số bài toán về toàn mạch
Bài có đáp án. Câu hỏi và bài Trắc nghiệm vật lý 11 bài 11: Phương pháp giải một số bài toán về toàn mạch . Học sinh luyện tập bằng cách chọn đáp án của mình trong từng câu hỏi. Dưới cùng của bài trắc nghiệm, có phần xem kết quả để biết bài làm của mình. Kéo xuống dưới để bắt đầu.
Dùng dữ kiện sau để trả lời các câu 1, 2
Một điện trở 4Ω được mắc vào nguồn điện có suất điện động E = 1,5V để tạo thành một mạch điện kín thì công suất toả nhiệt ở điện trở này bằng 0,36W
Câu 1: Hiệu điện thế giữa hai đầu điện trở R là
- A. 1V
- B. 1,2V
- C. 1,4V
- D. 1,6V
Câu 2: Điện trở trong của nguồn điện là
- A. 0,5Ω
- B. 0,25Ω
- C. 5Ω
- D. 1Ω
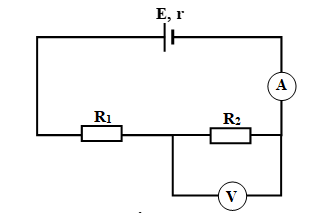
Câu 3: Cho mạch điện như hình vẽ, bỏ qua điện trở của dây nối, biết E = 3V; R1 = 4Ω, R2 = 5Ω, ampe kế có
, vôn kế $R_{V}\approx \infty $, ampe kế chỉ 0,3A, vôn kế chỉ 1,2V. Điện trở trong r của nguồn bằng

- A. 0,5Ω
- B. 1Ω
- C. 0,75Ω
- D. 0,25Ω
Câu 4: Một nguồn điện có suất điện dộng E = 1,5V, điện trở trong r = 0,1Ω. Mắc giữa hai cực của nguồn điện hai điện trở R1 và R2, Khi R1, R2 mắc nối tiếp thì cường độ dòng điện qua mỗi điện trở là 1,5A, khi mắc R1 song song với R2 thì cường độ dòng điện qua mạch chính là 5A. R1, R2 có giá trị bằng
- A. R1 = 0,3Ω; R2 = 0,6Ω hoặc R1 = 0,6Ω; R2 = 0,3Ω
- B. R1 = 0,4Ω; R2 = 0,8Ω hoặc R1 = 0,8Ω; R2 = 0,4Ω
- C. R1 = 0,2Ω; R2 = 0,4Ω hoặc R1 = 0,4Ω; R2 = 0,2Ω
- D. R1 = 0,1Ω; R2 = 0,2Ω hoặc R1 = 0,2Ω; R2 = 0,1Ω.
Câu 5: Cho mạch điện như hình 11.2, bỏ qua điện trở của dây nối, R1 = 5Ω; R3 = R4 = 2Ω; E1 = 3V, điện trở trong các nguồn không đáng kể. Để cường độ dòng điện qua R2 bằng 0 cần phải mắc giữa hai điểm A, B một nguồn điện E2 có suất điện động bằng bao nhiêu và như thế nào?

- A. Cực (+) vào A, cực (-) vào B; E2 = 2V
- B. Cực (+) vào A, cực (-) vào B; E2 = 2,4V
- C. Cực (+) vào B, cực (-) vào A; E2 = 4V
- D. Cực (+) vào B, cực (-) vào A; E2 = 3,75V.
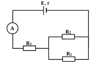
Câu 6: Cho mạch điện như hình vẽ, bỏ qua điện trở của dây nối và ampe kế, E = 6V, r = 1Ω, R1 = 3Ω, R2 = 6Ω, R3 = 2Ω. Số chỉ của ampe kế là

- A. 1A
- B. 1,5A
- C. 1,2A
- D. 0,5A
Câu 7: Cho mạch điện như hình 11.4, bỏ qua điện trở của dây nối, ampe có điện trở không đáng kể, E = 3V, r = 1Ω, IA = 0,5A. Điện trở R có giá trị bằng

- A. 6Ω
- B. 3Ω
- C. 5Ω
- D. 3Ω
Dùng dữ kiện sau để trả lời các câu 8, 9
Cho mạch điện như hình vẽ, bỏ qua điện trở của dây nối R1 = 3Ω; R2 = 6Ω, R3 = 4Ω, R4 = 12Ω; E = 12V, r = 2Ω, RA = 0.

Câu 8: Cường độ dòng điện qua mạch chính là
- A. 1A
- B. 2A
- C. 3A
- D. 4A
Câu 9: Số chỉ của ampe kế (A) là
- A. 0,9A
- B. 10/9 A
- C. 6/7 A
- D. 7/6A
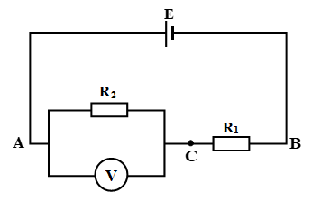
Câu 10: Cho mạch điện như hình vẽ, E = 3V, điện trở trong không đáng kể, bỏ qua điện trở của dây nối, vôn kế có điện trở RV = R1 = R2 = 50Ω. Số chỉ của vôn kế là
- A. 0,5V
- B. 1,0V
- C. 1,5V
- D. 2,0V
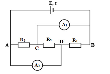
Dùng dữ kiện sau để trả lời các câu 11, 12
Cho mạch điện như hình vẽ, bỏ qua điện trở của dây nối và các ampe kế, biết R1 = 2Ω, R2 = 3Ω, R3 = 6Ω, E = 6V, r = 1Ω

Câu 11: Cường độ dòng điện qua mạch chính là
- A. 2A
- B. 3A
- C. 4A
- D. 1A
Câu 12: Số chỉ của ampe kế là
- A.

- B.

- C.

- D.

Câu 13: Hai nguồn điện có E1 = E2 = 2V và điện trở trong r1 = 0,4Ω, r2 = 0,2Ω được mắc với điện trở R thành mạch kín (Hình vẽ). Biết rằng, khi đó hiệu điện thế giữa hai cực của một trong hai nguồn bằng 0. Giá trị của R là

- A. 0,2Ω
- B. 0,4Ω
- C. 0,6Ω
- D. 0,8Ω
Dùng dữ kiện sau để trả lời các câu 14, 15.
Cho mạch điện như hình 11.9, bỏ qua điện trở của dây nối, biết E1 = 6V, E2 = 4V, E3 = 3V, r1 = r2 = r3 = 0,1Ω, R = 6,2Ω

Câu 14: Hiệu điện thế giữa hai điểm A, B (UAB) bằng
- A. 4,1V
- B. 3,9V
- C. 3,8V
- D. 3,75V
Câu 15: Công suất của nguồn điện E1 là
- A. 2W
- B. 4,5W
- C. 8W
- D. 12W
=> Kiến thức Giải bài 11 vật lí 11: Phương pháp giải một số bài toán về toàn mạch